Section 01-02: Body Panels, Front End | 1994 Mustang Workshop Manual |
Removal and Installation

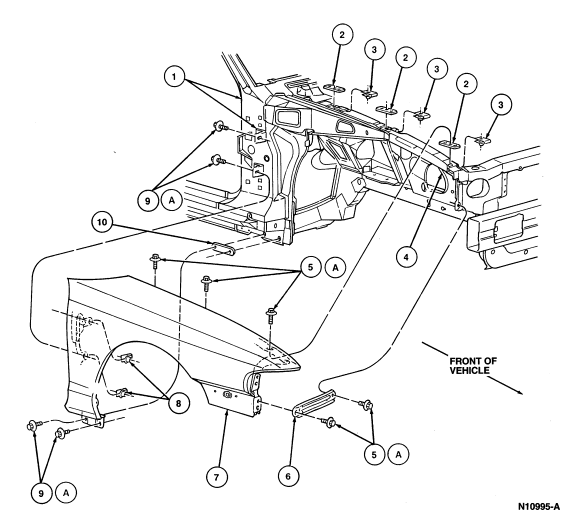
| Item | Part Number | Description |
|---|---|---|
| 1 | 02500 RH 02501 LH |
Front Body Pillar |
| 2 | N854909-S, N802316-S or N802317-S | Shim |
| 3 | N623332-S100 | Nut |
| 4 | 16A054 RH 16A055 LH |
Front Fender Apron |
| 5A | N606675-S36 | Screw |
| 6 | 16A023 | Front Fender Apron and Radiator Support Brace |
| 7 | 16005 RH 16006 LH |
Front Fender |
| 8 | N623342-S100 | Nut |
| 9A | N606677-S36 | Screw |
| 10 | 00145 | Body Mount Shim |
| A | Tighten to 10.2-13.8 Nm (8-10 Lb-Ft) |