Section 01-02: Body Panels, Front End | 1994 Mustang Workshop Manual |
Removal
Installation

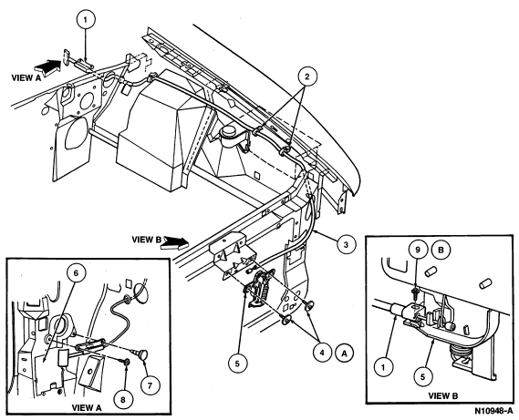
| Item | Part Number | Description |
|---|---|---|
| 1 | 16916 | Hood Latch Control Handle and Cable |
| 2 | 86132 | Clip (3 Req'd) |
| 3 | 16916 | Hood Latch Control Handle and Cable |
| 4A | 02850 | Screw and Washer |
| 5 | 16700 | Hood Latch |
| 6 | N80827382 | STL Push Nut (1 Req'd) |
| 7 | 388577 | Push Pin (1 Req'd) |
| 8 | W61110482 | Screw (1 Req'd) |
| 9B | 87514 | Screw |
| A | Tighten to 10-14 Nm (7-10 Lb-Ft) | |
| B | Tighten to 1.8-2.6 Nm (11.5-23 Lb-In) |

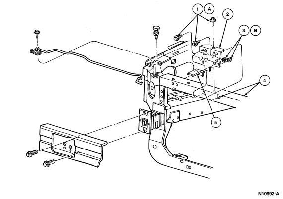
| Item | Part Number | Description |
|---|---|---|
| 1A | N606675-S36 | Screw (3 Req'd) |
| 2 | 16707 | Hood Latch Support |
| 3B | N620480-S | Nut (2 Req'd) |
| 4 | 16138 | Radiator Support |
| 5 | 8B455 | Radiator Grille Opening Panel Bracket |
| A | Tighten to 10.2-13.8 Nm (8-10 Lb-Ft) | |
| B | Tighten to 7.5-10.5 Nm (6-8 Lb-Ft) |