Section 12-03B: Compressor and Clutch—10P15C
1993 Mustang Workshop Manual
REMOVAL AND INSTALLATION

Clutch Hub and Pulley

 

Compressor Clutch Disassembled




Tools Required:

 

Removal

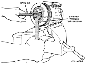
  1. Remove clutch hub retaining nut and lockwasher. Use Spanner Wrench T81P-19623-MH, if necessary.


Clutch Hub Nut—Removal




  1. Remove clutch hub and shims from compressor shaft with Hub Driven Plate Remover Tool T80L-19703-B. Hold tool with a 1-inch wrench and tighten bolt with a 1/2-inch wrench to pull hub from compressor shaft.


Clutch Hub—Removal




  1. Remove clutch pulley retaining snap ring.


Pulley Snap Ring—Removal




  1. Pull pulley and bearing assembly from compressor. If pulley and bearing assembly cannot be removed by hand, use Shaft Protector T80L-19703-G and Pulley Puller D81P-19703-B or Pulley Remover T71P-19703-B or equivalent to remove pulley.


Removing Clutch Pulley with Puller




 

Installation

  1. Clean the pulley bearing surface of the compressor head to remove any dirt or corrosion.
  1. Install pulley and bearing on compressor. The bearing is a slip fit on compressor head and, if properly aligned, should slip on compressor head. If difficulty is encountered installing pulley, gently tap pulley on compressor using Pulley and Bearing Tool T80L-19703-J. Ensure the pulley bearing is aligned with compressor head.


Clutch Pulley—Installation




  1. Install pulley retaining snap ring with bevel side of snap ring out.
  1. Install clutch hub on compressor shaft using two thickest shims of shim pack between clutch hub and end of compressor shaft. Ensure shaft key is aligned with keyway of clutch hub. Use Hub Driven Plate Replacer T80L-19703-F to press hub on compressor shaft, if necessary. DO NOT ATTEMPT TO DRIVE THE HUB ON THE COMPRESSOR SHAFT as damage to compressor will result. Use only specified tool if hub will not easily slide on compressor shaft.


Clutch Hub—Installation




  1. Install hub lockwasher and retaining nut on compressor shaft. Tighten nut to 13-20 Nm (10-14 lb-ft). DO NOT USE AIR TOOLS.
  1. Check air gap between hub and mating pulley surface in three locations equally spaced around pulley. Record air gap readings.


Clutch Air Gap Check




  1. Rotate compressor pulley one-half turn (180 degrees) and again check air gap in three equally spaced locations. Smallest air gap must be within specified limits for air gap. Add or remove shims between hub and compressor shaft end as necessary until smallest air gap is within specification.
  1. When installing a new clutch, cycle clutch 10 times at idle to burnish clutch and prevent slippage.