Section 12-03A: Air Conditioning System
1993 Mustang Workshop Manual
REMOVAL AND INSTALLATION

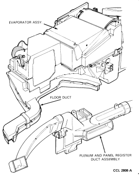
Plenum Assembly

 
 

Removal

  1. Remove instrument panel and lay it on front seat. Refer to Section 01-12.
  1. Remove one screw retaining floor duct to plenum.



  1. Remove two screws retaining plenum to instrument panel. Remove plenum from
    vehicle.
 

Installation

  1. Position plenum in place on instrument panel. Install retaining screws.
  1. Install screw retaining floor duct to plenum.
  1. Install instrument panel. Refer to Section 01-12.