Section 01-20A: Restraints, Active | 1993 Mustang Workshop Manual |
Tools Required:
Seat Belt Bolt Bit T77L-2100-A should be used for removal and installation of the safety belt bolts on all safety belt assemblies.
Removal
Installation

| Item | Part Number | Description |
|---|---|---|
| 1A | 386277-S100 | Bolt (1 Req'd Each Side) |
| 2 | 60262 | Cover |
| 3 | 386993-S | Washer (1 Req'd Each Side) |
| 4 | 61202 | Safety Belt and Buckle Assy |
| 5 | 611B08 | Safety Belt Assy |
| 6A | 386272-S100 | Bolt (1 Req'd Each Side) |
| 7 | 278A08 | Quarter Trim Panel Assy |
| A | Tighten to 30-40 Nm (23-29 Lb-Ft) |

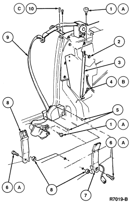
| Item | Part Number | Description |
|---|---|---|
| 1A | 389370-S100 | Bolt |
| 2 | N620480-S2 | Flange Nut |
| 3 | 612B20 RH 612B21 LH |
Support |
| 4B | W611624-S2 | Screw |
| 5 | 390018S3 | Push Pin |
| 6A | 386277-S100 | Bolt |
| 7 | 61203 | LH Belt and Buckle Assy |
| 8 | 386993-S | Washer |
| 9 | 611B08 RH 611B09 LH |
Belt and Retractor Assy |
| 10C | N804230-S58 | Screw |
| A | Tighten to 30-40 Nm (23-29 Lb-Ft) | |
| B |
Tighten to 11 Nm (9 Lb-Ft) |
|
| C |
Tighten to 3.3-4.5 Nm (30-39 Lb-In) |