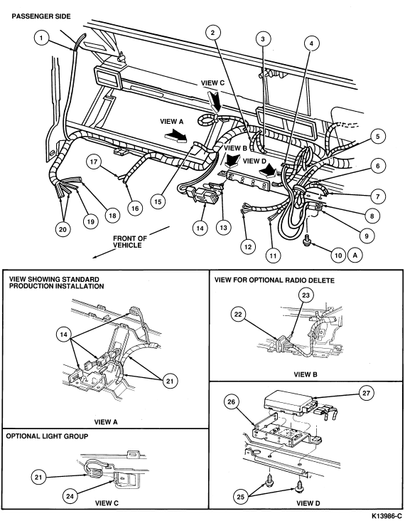
Section 18-01: Wiring and Circuit Protection | 1993 Mustang Workshop Manual |

| Item | Part Number | Description |
|---|---|---|
| 1 | — | To Instrument Panel Speaker |
| 2 | — | To A/C-Heater Illumination |
| 3 | — | To A/C Mode Switch |
| 4 | — | To Chime Module |
| 5 | — | To Blower Motor Switch |
| 6 | — | To Day/Night Illumination Relay |
| 7 | — | To Horn Relay |
| 8 | — | Radio Ground |
| 9 | — | A/C-Heater Ground |
| 10A | N801846-S36MG | Ground Screw |
| 11 | — | To Transmission/Clutch Wiring Harness |
| 12 | — | To Radio |
| 13 | 13A506 | Locator |
| 14 | 14A459 | Connector |
| 15 | — | To Deck Lid Release |
| 16 | — | To Blower Motor Resistor |
| 17 | — | To A/C-Heater Blower Motor |
| 18 | — | To 14630 Wiring Harness |
| 19 | — | To 14334 Wiring Harness |
| 20 | — | To 12A581 Wiring Harness |
| 21 | 14401 | Wiring Harness Assy |
| 22 | M3G85 | Foam Tape |
| 23 | 95873-S | Strap |
| 24 | 15A563 | Glove Compartment Lamp Assy |
| 25 | N803867-S2 | Screw (2 Req'd) |
| 26 | 14B058 | Bracket |
| 27 | 14B056 | Air Bag Diagnostic Monitor Assy |
| A | Tighten to 4-5.6 Nm (36-49 Lb-In) |

| Item | Part Number | Description |
|---|---|---|
| 1 | — | To Cluster |
| 2 | — | To Instrument Panel Speaker |
| 3 | — | To Fog Lamp Switch |
| 4 | — | To Headlamp Switch |
| 5 | — | To Headlamp Rheostat |
| 6 | 14401 | Wiring Assy |
| 7 | — | To Convertible Top Circuit Breaker |
| 8 | — | Fuse Panel Part of 14401 Wiring Harness Assy |
| 9 | — | To 7E443 Wiring Assy |
| 10 | N801846-S36MG | Screw |
| 11 | — | To A/C Fan Controller (2.3L engine only) |
| 12 | 14A200 | Wiring Assy |
| 13 | — | To Neutral Sense Gear Switch (5.0L Engine) |
| 14 | — | To Horn Relay |
| 15 | — | To Rear Window Defroster Switch or Convertible Top Switch |
| 16 | — | To 14405 Wiring Assy |
| 17 | 14401 | Wiring Assy To Low Oil Warning Relay |
| 18 | — | To Speed Control Amplifier |
| 19 | — | To Clutch Interlock Switch |
| 20 | — | To Stoplamp Switch |
| 21 | — | To Intermittent Windshield Wiper Governor |
| 22 | — | To Key Warning Switch |
| 23 | — | To Steering Column Air Bag Slip Ring |
| 24 | — | To Ignition Switch |
| 25 | — | To Turn Signal Switch |
| 26 | — | To Horn Switch and Windshield Washer Switch |
| 27 | — | To Headlamp Dimmer Switch |

| Item | Part Number | Description |
|---|---|---|
| 1 | 12A646 | Relay Assy 5.0L Only |
| 2 | 14A200 | Wiring Assy |
| 3 | 19A170 | Wiring Assy |
| 4 | 19A044 14630 or 14024 |
Wiring Assy |
| 5 | 14630 or 14024 |
Wiring Assy |
| 6 | 14334 or 14335 |
Wiring Assy |
| 7 | — | To Courtesy Lamp |
| 8 | 14405 | Wiring Assy |
| 9A | — | Bolt Part of 12A581 Wiring Harness Assy |
| 10 | N801846-S36MG | Screw |
| 11 | 12B590 | Powertrain Control Module |
| 12 | 12A581 | Wiring Assy |
| 13 | 14401 | Wiring Assy |
| A | Tighten to 3.16-4.06 Nm (28-35 Lb-In) |



| Item | Part Number | Description |
|---|---|---|
| 1 | — | To Manual Lever Illumination Lamp |
| 2 | — | To Power Mirror Switch |
| 3 | — | To Console |
| 4 | 02760 | Parking Brake Handle Assy |
| 5 | — | To Lumbar Seats |
| 6 | — | To Safety Belts |
| 7 | — | To Fuel Pump Relay |
| 8 | N801846-S36 | Ground Screw |
| 9 | 14405 | Wiring Harness Assy |
| 10 | 7E443 | Wiring Harness Assy |
| 11 | — | To Transmission Wiring |
| 12 | N611039-S36 | Screw |
| 13 | 385711-S36 | Nut |
| 14 | 15852 | Switch Assy |
| 15 | — | Wiring Harness Shield Part of 19B113 Wiring Harness Assy |
| 16 | 19B113 | Wiring Harness Assy |


| Item | Part Number | Description |
|---|---|---|
| 1 | 533A00 | Convertible Top Motor Assy |
| 2A | N801846-S36MG | Ground Screw |
| 3 | 14405 | Wiring Harness Assy |
| 4 | — | To Power Windows and Speakers |
| 5 | 14B007 | Air Bag Sensor |
| 6B | N806327-S190 | Screw (2 Req'd) |
| 7 | — | Ground Connection for Convertible Top Motor Assy |
| 8 | 9345A1A | Relay Assy (2 Req'd) |
| A | Tighten to 2.6-3 Nm (23-26 Lb-In) | |
| B | Tighten to 9-14 Nm (7-10 Lb-Ft) |

| Item | Part Number | Description |
|---|---|---|
| 1 | 384647-S | Grommet (1 Req'd Each Door) |
| 2 | 14630 or 14025 (LH) 14631 or 14025 (RH) |
Wiring Assy |
| 3 | 14631 or 14630 |
Wiring Assy |
| 4 | — | To Power Window Regulator |
| 5 | — | To Power Mirror |
| 6 | 14A177 (LH) 14A099 (RH) |
Shield |
| 7 | — | To Power Window Regulator Motor |
| 8 | 375203-S | Rivet (2 Req'd Each Door) |
| 9A | N801846-S36MG | Screw (LH Door) |
| 10 | 14025 | Wiring Assy |
| 11 | 218A42 | Actuator Assy |
| A |
Tighten to 3-4.5Nm (27-39 Lb-In) |