Section 13-09: Gauges, Warning Devices, Miscellaneous—Electronic | 1993 Mustang Workshop Manual |
Removal and Installation
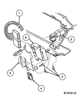
The warning chime module is mounted to a bracket attached to the instrument panel lower reinforcement, near the LH side of the radio.

| Item | Part Number | Description |
|---|---|---|
| 1 | 14401 | Wiring Assy |
| 2 | 13853 | Horn Relay |
| 3 | N803876-S2 | Screw (3 Req'd) |
| 4 | N802538-S100 | Nut |
| 5 | 10D876 | Bracket |
| 6 | 10D840 | Chime Assy |