Section 12-03A: Air Conditioning System | 1993 Mustang Workshop Manual |
REMOVAL AND INSTALLATION
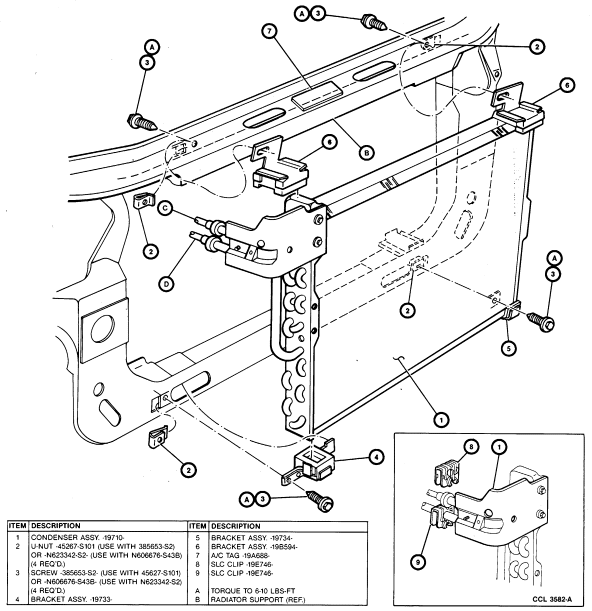
Condenser
Removal
NOTE: Whenever a condenser is replaced, it will be necessary to replace the
suction accumulator/drier.
CAUTION: If a condenser leak is suspected, the condenser must be leak tested
before it is removed from the vehicle. Refer to Section 12-00 for the leak test
procedure.
- Discharge the refrigerant from the A/C system at the service access gauge
port valve located on the suction line. Observe all safety precautions.
- Drain the coolant from the radiator into a clean container and save coolant.
- Close the radiator draincock.
- Disconnect the cables from the battery and remove the battery and heat
shield.
- Disconnect the refrigerant line fittings (spring-lock couplings) at the
right side of the radiator as outlined.
CAUTION: Condenser refrigerant lines are connected with spring-lock couplings.
These couplings require special tools and procedures as outlined. Failure to
follow these procedures can result in damage to the couplings and refrigerant
lines.
- Remove two fan shroud retaining screws. Disengage the fan shroud and
position it rearward.
- Disconnect upper line hose from the radiator.
- Remove the two radiator retaining clamps and tilt the radiator rearward.
- Remove two screws retaining the top of the condenser to the radiator
support.
Condenser Assembly

- Lift the condenser from the vehicle. Cap the refrigerant lines to prevent
entry of dirt and excessive moisture.
Installation
- If the condenser is to be replaced, transfer the rubber isolators from the
bottom of the old condenser to the new condenser. Add 29.5ml (1 oz) of clean
refrigerant oil to the condenser.
- Position the condenser assembly to the vehicle making sure the lower
isolators are properly seated. Then, install the condenser upper two attaching
screws.
- Position the radiator to the radiator support and install the two retaining
clamps.
- Ensure that the radiator draincock is closed. Connect the upper hose to the
radiator and fill the radiator with the coolant removed from the radiator in
Step 2 of Removal.
- Position the fan shroud to the radiator and install the two retaining
screws.
- Connect the refrigerant lines to the condenser. Refer to Spring Lock
Coupling procedure and to the Spring Lock Coupling illustration.
- Install the battery and heat shield in the vehicle. Then, connect battery
cables, positive cable first.
- Leak test, evacuate and charge the system. Observe all safety precautions.