Section 03-04B: Fuel Charging and Controls—5.0L | 1993 Mustang Workshop Manual |
Removal
NOTE: Cobra does not use a EGR spacer assembly.
Installation
NOTE: If scraping is necessary, be careful not to damage gasket surfaces or allow material to drop into manifold.

| Item | Part Number | Description |
|---|---|---|
| 1 | 9F483 | EGR Valve Assy |
| 2 | 9D476 | EGR Valve Gasket |
| 3 | 9E464 | Gasket |
| 4 | 9425 | Upper Intake Manifold Assy |
| 5 | 9H474 | EGR Spacer |
| 6 | 9E933 | Gasket |
| 7 | — | PCV Vent Closure Connection |
| 8 | 9E926 | Throttle Body Assy |
| 9A | — | Nut (4 Req'd) |
| 10A | — | Nut and Washer |
| A | Tighten to 16-24 Nm (12-18 Lb-Ft) |

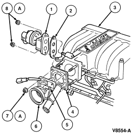
| Item | Part Number | Description |
|---|---|---|
| 1 | 9F483 | EGR Valve Assy |
| 2 | 9D476 | EGR Valve Gasket |
| 3 | 9425 | Upper Intake Manifold Assy |
| 4 | 9E933 | Throttle Body Gasket |
| 5 | — | PCV Vent Closure Connection |
| 6 | 9E927 | Throttle Body Assy |
| 7A | — | Nut (4 Req'd) |
| 8A | — | Nut and Washer |
| A | Tighten to 16-24 Nm (12-18 Lb-Ft) |