Section 03-04B: Fuel Charging and Controls—5.0L | 1993 Mustang Workshop Manual |
Removal
WARNING: COOLING SYSTEM MAY BE UNDER PRESSURE. RELEASE PRESSURE AT RADIATOR
PRESSURE CAP BEFORE REMOVING HOSES. MAKE SURE ENGINE IS COOL BEFORE REMOVING
CAP.
Installation
NOTE: If lower intake manifold was removed, fill and bleed cooling system as outlined in Section 03-03.

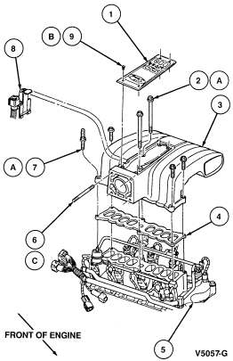
| Item | Part Number | Description |
|---|---|---|
| 1 | 9E434 | Cover Plate |
| 2A | — | 5/16-18 x 6.07 Bolt Hex Flange Head (2 Req'd) |
| 3 | 9425 | Upper Intake Manifold |
| 4 | 9H486 | Gasket |
| 5 | 9K461 | Lower Intake Manifold |
| 6C | — | 5/16-18 x 4.12 Stud (4 Req'd) |
| 7A | — | 5/16-18 Stud (4 Req'd) |
| 8 | 14A163 | Wiring Bracket |
| 9B | — | 8-32 x .71 Screw Oval Head (4 Req'd) |
| A | Tighten to 16-24 Nm (12-18 Lb-Ft) | |
| B | Tighten to 2-3 Nm (18-26 Lb-In) | |
| C |
Tighten to 2.7-5.4Nm (2-4 Lb-Ft) |

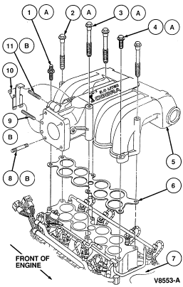
| Item | Part Number | Description |
|---|---|---|
| 1A | 390589 | Stud 5/16-18 x 1.62 |
| 2A | 390653 | Bolt 5/16-18 x 6.07 (2 Req'd) |
| 3A | — | Bolt 5/16-18 6.85 (2 Req'd) |
| 4A | 390358 | Bolt 5/16-18 x 1.62 |
| 5 | 9425 | Upper Intake Manifold |
| 6 | 9H486 | Gasket |
| 7 | 9K461 | Lower Intake Manifold |
| 8B | — | Stud 5/16-18 x 1.75 (4 Req'd) |
| 9B | — | Stud 5/16-18 |
| 10 | 14A163 | Wiring Bracket |
| 11B | — | Stud 3/8-16 |
| A | Tighten to 16-24 Nm (12-18 Lb-Ft) | |
| B |
Tighten to 2.7-5.4Nm (2-4 Lb-Ft) |