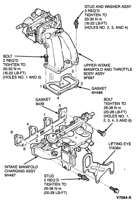
Section 03-04A: Fuel Charging and Controls—2.3L | 1993 Mustang Workshop Manual |
The air intake manifold is a two-piece (upper and lower intake manifold)
aluminum casting. Runner lengths are tuned to optimize engine torque and power
output. The manifold provides mounting flanges for the air throttle body (TB)
assembly, fuel supply manifold and accelerator control bracketry and the
exhaust gas recirculation (EGR) valve 9D475 and supply tube. Vacuum taps are
provided to support various engine accessories. Pockets for the fuel injectors
are machined to prevent both air and fuel leakage. The pockets in which the
injectors are mounted are placed to direct the injector fuel spray immediately
in front of each engine intake valve. 