Section 03-01B: Engine, 5.0L HO and 5.0L Cobra | 1993 Mustang Workshop Manual |
Tools Required:
Removal
WARNING: RELIEVE FUEL LINE PRESSURE BEFORE DISASSEMBLING CONNECTIONS.
DISCONNECT AND CAP FUEL SUPPLY AND RETURN LINES. REFER TO SECTION 03-13 FOR
PROCEDURES.
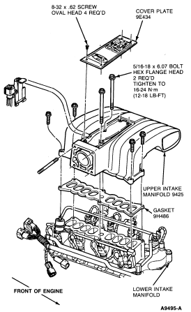
NOTE: On Mustang only, the cover plate must be removed to access the upper intake manifold retainer bolts.


| Item | Part Number | Description |
|---|---|---|
| 1A | 390589 | Stud 5/16-18 x 1.62 |
| 2A | 39D653 | Bolt 5/16-18 x 6.07 (2 Req'd) |
| 3A | — | Bolt 5/16-18 x 6.85 (2 Req'd) |
| 4A | 390358 | Bolt 5/16-18 x 1.62 |
| 5 | 9424 | Upper Intake Manifold |
| 6 | 9H486 | Intake Mainfold Upper Gasket |
| 7 | 9424 | Lower Intake Manifold |
| 8B | — | Stud 5/16-18 x 1.75 (4 Req'd) |
| 9B | — | Stud 5/16-18 |
| 10 | 14A163 | Wiring Bracket |
| 11B | — | Stud 3/8-16 |
| A | Tighten to 16-24 Nm (12-18 Lb-Ft) | |
| B | Tighten to 2.7-5.4 Nm (2-4 Lb-Ft) |
CAUTION: It may be necessary to pry the intake manifold away from the cylinder
head(s). Use caution to avoid possible damage to the gasket sealing surfaces.
Remove the intake manifold gaskets and seals.

Installation
NOTE: This sealer sets up in 15 minutes, so it is important that assembly be completed promptly. Do not drip any sealer into the engine valley.


