Section 03-01B: Engine, 5.0L HO and 5.0L Cobra | 1993 Mustang Workshop Manual |
Removal
Installation


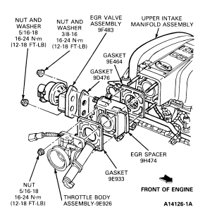
| Item | Part Number | Description |
|---|---|---|
| 1 | 9D475 | EGR Valve |
| 2 | 9D476 | EGR Valve Gasket |
| 3 | 9424 | Upper Intake Manifold |
| 4 | 9E933 | EGR Housing to Throttle Body Gasket |
| 5 | — | PCV Vent Closure Connection |
| 6 | 9E926 | Throttle Body |
| 7A | — | Nut (4 Req'd) |
| 8A | — | Nut and Washer |
| A | Tighten to 16-24 Nm (12-18 Lb-Ft) |