Section 03-01A: Engine, 2.3L | 1993 Mustang Workshop Manual |
CAUTION: Do not oil threads that require oil resistant or water resistant
sealer.
When installing nuts or bolts, oil the threads with light-weight engine oil.
Tools Required:
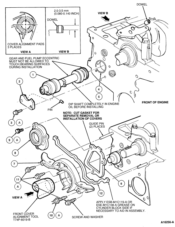
Refer to the illustration for auxiliary shaft installation.
If necessary, the auxiliary shaft bearings can be removed using Impact Slide Hammer T59L-100-B and Puller Attachment T58L-101-B.
Install new bearings using a driver. Make sure to align the oil holes in
the bearings with those in the block during installation.

| Item | Part Number | Description |
|---|---|---|
| 1 | 6K230 | Auxiliary Shaft |
| 2 | 6A222 | Retaining Plate |
| 3A | — | Screw and Washer |
| 4 | 6A753 | Bearing |
| 5 | 6B862 | Bearing |
| 6 | 6E010 | Auxiliary Shaft Gasket |
| 7 | 6059 | Front Cover Assy |
| 8 | 6E007 | Auxiliary Shaft Cover |
| 9A | — | Screw and Washer |
| 10A | — | Stud Bolt |
| 11A | — | Screw and Washer |
| 12 | 6020 | Front Cover Gasket |
| A | Tighten to 8-12 Nm (6-9 Lb-Ft) |