Section 03-01A: Engine, 2.3L | 1993 Mustang Workshop Manual |
CAUTION: Do not oil threads that require oil resistant or water resistant
sealer.
When installing nuts or bolts, oil the threads with light-weight engine oil.
Tools Required:
Removal and Installation

NOTE: The spring cannot be used to set belt tension.
NOTE: To ensure the belt does not jump time during rotation in Step 13, remove one spark plug from each cylinder.
Align the timing sensor as follows:


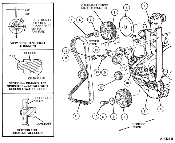
| Item | Part Number | Description |
|---|---|---|
| 1A | — | Camshaft Sprocket Retainer Bolt |
| 2 | — | Camshaft Sprocket Retainer Bolt Washer |
| 3 | 6256 | Camshaft Sprocket |
| 4 | 6B260 | Belt Guide Assy |
| 5 | 6251 | Camshaft Assy |
| 6 | 6K230 | Auxiliary Shaft Assy |
| 7 | — | Inner Timing Belt Cover Assy |
| 8 | 6256 | Auxiliary Shaft Sprocket |
| 9 | — | Auxiliary Shaft Sprocket Retainer Bolt Washer |
| 10B | — | Auxiliary Shaft Sprocket Retainer Bolt |
| 11 | 6268 | Timing Belt |
| 12C | — | Spring Retainer Bolt |
| 13D | — | Belt Tensioner Retainer Bolt |
| 14 | — | Belt Tensioner Spring |
| 15 | 6K254 | Timing Belt Tensioner Assy |
| 16 | 6303 | Crankshaft Assy |
| 17 | 6306 | Crankshaft Sprocket Assy |
| A | Tighten to 70-95 Nm (52-70 Lb-Ft) | |
| B | Tighten to 40-55 Nm (30-41 Lb-Ft) | |
| C | Tighten to 38-54 Nm (28-40 Lb-Ft) | |
| D | Tighten to 19-29 Nm (14-21 Lb-Ft) |