Section 03-01A: Engine, 2.3L | 1993 Mustang Workshop Manual |
REMOVAL AND INSTALLATION
CAUTION: Do not oil threads that require oil resistant or water resistant
sealer.
When installing nuts or bolts, oil the threads with light-weight engine oil.
Water Pump
Provision for wrench clearance has been made in the timing belt inner
cover, so only the outer cover must be removed in order to replace the water
pump.
Removal
- Drain cooling system.
- Remove four bolts retaining pulley to water pump shaft. Remove fan and
shroud.
- Remove A/C belt.
- Remove power steering belt.
- Remove water pump pulley.
- Remove heater hose to water pump.
- Remove lower radiator hose.
- Remove timing belt outer cover bolt, release interlocking tabs and remove
cover.
- Remove water pump retaining bolts and remove water pump.
- Clean water pump gasket surface at cylinder block.

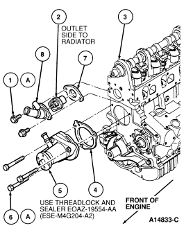
Item |
Part Number |
Description |
|
1A
|
—
|
Screw and Washer
|
|
2
|
8575
|
Thermostat Assy
|
|
3
|
6049
|
Cylinder Head Assy
|
|
4
|
8507
|
Gasket
|
|
5
|
8501
|
Water Pump Assy
|
|
6A
|
—
|
Bolt
|
|
7
|
8255
|
Gasket
|
|
8
|
8594
|
Water Outlet Connection
|
|
A
|
|
Tighten to 20-30 Nm (14-22 Lb-Ft)
|
Installation
- Position gasket to water pump (use contact cement). Position water pump to
cylinder block and install three retaining bolts. Apply Pipe Sealant with
Teflon® D8AZ-19554-A (ESG-M4G194-A) or equivalent to water
pump bolts prior to installation.
- Install lower radiator hose to water pump.
- Install heater hose to the water pump.
- Install cam belt cover and retaining bolt. Tighten bolt to 8-12 Nm
(6-9 lb-ft).
- Position water pump pulley to water pump. Install retaining bolts and
tighten to 20-30 Nm (15-22 lb-ft).
- Position power steering, if so equipped, and generator drive belt to
pulleys.
- Position A/C compressor drive belt, if so equipped, to respective pulleys.
- Install power steering belt and A/C belt. Refer to Section 03-05.
- Fill cooling system. Refer to Section 03-03.
- Start engine and check for leaks.