Section 03-01A: Engine, 2.3L | 1993 Mustang Workshop Manual |
CAUTION: Do not oil threads that require oil resistant or water resistant
sealer.
When installing nuts or bolts, oil the threads with light-weight engine oil.
Tools Required:
Removal

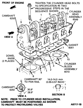
CAUTION: Position camshaft as shown in illustration.