Section 03-01A: Engine, 2.3L | 1993 Mustang Workshop Manual |
CAUTION: Do not oil threads that require oil resistant or water resistant
sealer.
When installing nuts or bolts, oil the threads with light-weight engine oil.
Removal

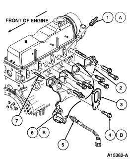
| Item | Part Number | Description |
|---|---|---|
| 1A | 12405 | 14mm Spark Plug (8 Places) (4 Places per Side) |
| 2 | 9430 | Exhaust Manifold Assembly |
| 3 | 17K004 | Lifting Eye |
| 4B | — | Bolt |
| 5 | 9F472 | H02S |
| 6B | — | Stud Bolt |
| 7 | — | Guide Pin (2 Places) |
| A | Tighten to 7-14 Nm (5-10 Lb-Ft) | |
| B | Tighten to 27-41 Nm (20-30 Lb-Ft) |
Installation