Section 01-14: Handles, Locks, Latches and Mechanisms | 1993 Mustang Workshop Manual |
Except Hatchback
Removal and Installation
NOTE: The lock cylinder retainer is retained in place with a rivet which must be removed using a 1/4-inch drill.
Hatchback
Tools Required:
Removal and Installation

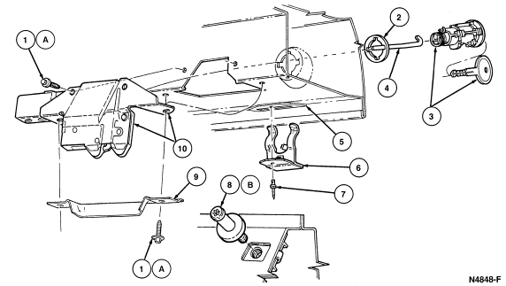
| Item | Part Number | Description |
|---|---|---|
| 1A | 57472-S101 | Bolt and Washer Assy (4 Req'd) |
| 2 | 43625 | Pad |
| 3 | — | Lock Set |
| 4 | 43283 | Extension |
| 5 | 433A28 | Seal |
| 6 | 43629 | Retainer |
| 7 | 375203-S | Rivet |
| 8B | 404B12 | Striker Assy |
| 9 | 43243 | Latch Cover |
| 10 | 43200 | Latch and Bracket Assy |
| A | Tighten to 9-14 Nm (7-10 Lb-Ft) | |
| B | Tighten to 27-38 Nm (20-28 Lb-Ft) |