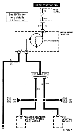
Section 13-05: Tachometer, Oil Pressure, Coolant Temperature Gauges/Warning Indicators | 1993 Mustang Workshop Manual |
The tachometer is an electrically-operated instrument which indicates engine speed in revolutions per minute (rpm). The Mustang 5.0L HO engine with TFI ignition has a 7000 rpm range tachometer.
The standard Mustang 2.3L engine with electronic ignition (EI) has a 6000 rpm range tachometer.
The tachometer is mounted in the instrument cluster assembly. The
schematic wiring diagram shows the conventional tachometer system.
Wiring Diagrams
