Section 11-02: Steering System, Power | 1993 Mustang Workshop Manual |
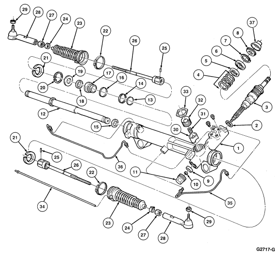
The Ford Integral Power Rack-and-Pinion Steering Gear is a 15:1 constant ratio.
The gear housing and valve housing are combined into a one-piece aluminum die casting. The gear design incorporates quick connect fittings for the pressure and return lines that allow the lines to swivel; this is normal and does not indicate loose fittings. If the fittings leak, check to ensure that they are tightened to 14-20 Nm (10-15 lb-ft). Do not over-tighten. If the leak is not corrected, replace the fitting seals.
The gear is a hydraulic-mechanical unit which uses an integral piston and
rack design to provide power-assisted vehicle steering control. Internal
valving directs pump flow and controls pressure, as required, to reduce
steering effort during operation. The unit contains a rotary hydraulic fluid
control valve integrated to the input shaft and a boost cylinder integrated
with the rack. 
| Item | Part Number | Description |
|---|---|---|
| 1 | 3548 | Gear Housing |
| 2 | 3D728 | Pinion Seal |
| 3 | 3D517 | Valve Assy |
| 4 | 3D517 | Plastic Rings |
| 5 | 3D525 | Input Shaft Bearing |
| 6 | 3D526 | Input Shaft Seal |
| 7 | 3D728 | Snap Ring—Seal Retainer |
| 8 | 3D527 | Input Shaft Dust Seal |
| 9 | 3552 | Pinion Bearing |
| 10A | 34988-S2 | Pinion Bearing Locknut |
| 11B | 3568 | Pinion Bearing Plug |
| 12 | 3575 | Rack Assy |
| 13 | 3E501 | Backup O-Ring-Rubber |
| 14 | 3E501 | Piston Seal—Plastic |
| 15 | 3E501 | Inner Rack Seal |
| 16 | 3E501 | Rack Bushing O-Ring |
| 17 | 3576 | Rack Bushing |
| 18 | 3E501 | Outer Rack Seal |
| 19 | 3568 | Housing End Plate |
| 20 | 97630-S | Snap Ring |
| 21 | N804842-S | Travel Restrictors |
| 22 | 3C560 | Inner Bellows Clamp |
| 23 | 3332 | Bellows |
| 24 | 3C650 | Outer Bellows Clamp |
| 25 | 387580-S2 | Spiral Pin |
| 26C | 3280 | Tie Rod Assy |
| 27D | 385032-S2 | Jam Nut |
| 28 | 3A130 | Tie Rod End Assy |
| 29E | 385002-S100 | Castellated Nut |
| 30 | 3F515 | Rack Yoke |
| 31 | 3F515 | Yoke Spring |
| 32F | 3580 | Yoke Plug |
| 33G | 3580 | Yoke Plug Locknut |
| 34 | 3K762 | Breather Tube |
| 35 | 3A717 | Right Turn Transfer Tube |
| 36 | 3A714 | Left Turn Transfer Tube |
| 37 | 3E592 | Umbrella Seal |
| A | Tighten to 41-54 Nm (30-40 Lb-Ft) | |
| B | Tighten to 54-68 Nm (40-50 Lb-Ft) | |
| C | Tighten to 75-88 Nm (55-65 Lb-Ft) | |
| D | Tighten to 48-68 Nm (35-50 Lb-Ft) | |
| E | Tighten to 48-63 Nm (35-47 Lb-Ft) | |
| F | Tighten to 5-5.6 Nm (45-50 Lb-In) | |
| G | Tighten to 27-34 Nm (20-25 Lb-Ft) |
The Ford Model CII power steering pump is a belt-driven 10-slipper type pump with a fiberglass-filled nylon reservoir. The reservoir is attached to the rear side of the aluminum pump housing and the pump body is encased within the housing and reservoir. The pump design incorporates a pump pressure fitting that allows the pump pressure line to swivel. This is normal and does not indicate a loose fitting.
A pressure-sensitive identification tag is attached to the reservoir body. This tag indicates the basic model number (HBC) and the suffix.
CAUTION: Always use the model codes on the tag when requesting service parts in
case of any differences in internal components. Refer to Section 11-00 for an
example of this tag.


| Item | Part Number | Description |
|---|---|---|
| 1 | 3F655 | Retainer |
| 2 | 3B592 | Shaft Seal |
| 3 | 3D643 | Pump Housing Plate |
| 4 | 387572-S1 | Seal |
| 5 | 3D596 | Belleville Spring |
| 6 | 3D607 | Cam and Rotor Assy |
| 7 | 3B559-B | Shaft |
| 8 | 3D590 | Lower Plate |
| 9 | 387579-S | Dowel Pins |
| 10 | 38769-S100 | Seal |
| 11 | 3A006 | Cap and Seal |
| 12 | 3E730 | Reservoir |
| 13 | 36544 | Valve Cover |
| 14 | 3A645 | Upper Plate |
| 15 | 387573-S | Retaining Ring |
| 16 | 3B005 | Valve Body |
| 17 | 389349-S | Seal |
| 18 | 3B008 | Outlet Fitting |
| 19 | 387571-S1 | Seal |
| 20 | 3D586 | Spring |