Section 06-04: Brakes, Rear Disc | 1993 Mustang Workshop Manual |
REMOVAL AND INSTALLATION
Caliper Assembly
During service, handle the caliper assembly and rotor in such a way as to
avoid nicking, scratching contamination and deformation.
After any service work, pump the brake pedal to obtain a firm brake pedal
before moving the vehicle. Riding the brake pedal (common with left foot
application) must be avoided when driving the vehicle.
Removal
- Raise vehicle on a hoist. Refer to Section 00-02.
- Remove wheel and tire assembly.
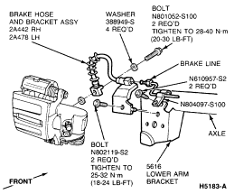
- Remove brake flex hose from caliper assembly.
- Remove retaining clip from parking brake at caliper. Disengage parking
brake cable end from lever arm.

- Hold slider pin hex-heads with open-end wrench and remove pinch bolts.
- Lift caliper assembly away from anchor plate.
NOTE: Do not pinch or damage boot material.
- Remove slider pins and boots from anchor plate.

Installation
- Apply Silicone Dielectric Compound D7AZ-19A331-A (ESE-M1C171-A) or
equivalent to inside of slider pin boots and to slider pins.
- Position slider pins and boots in anchor plate.
- Position caliper assembly and anchor plate. Ensure that brake shoes and
anti-rate springs are installed correctly.

- Apply on drop of Threadlock and Sealer E0AZ-19554-A (ESE-M4G204-A) or
equivalent to pinch bolt threads. Install pinch bolts. Tighten to 40-47 Nm
(30-35 lb-ft) while holding slider pins with an open-end
wrench.
- Attach cable end to parking brake lever. Install cable retaining clip on
caliper assembly. Tighten screw to 22-29 Nm (16-22 lb-ft).
- Using new washers, connect brake flex hose to caliper. Tighten retaining
bolt to 28-40 Nm (20-30 lb-ft).

- Bleed brake system. Refer to Section 06-00.
- Install wheel and tire assembly. Tighten wheel lug nuts to 109-142 Nm
(80-105 lb-ft).
- Lower vehicle.