Section 06-04: Brakes, Rear Disc | 1993 Mustang Workshop Manual |
The dual hydraulic brake system is a conventional pedal-actuated system with a master cylinder, pressure control valve and brake tubes and hoses. The primary hydraulic system supplies fluid to the front disc brakes and the secondary system supplies fluid to the rear disc brakes.
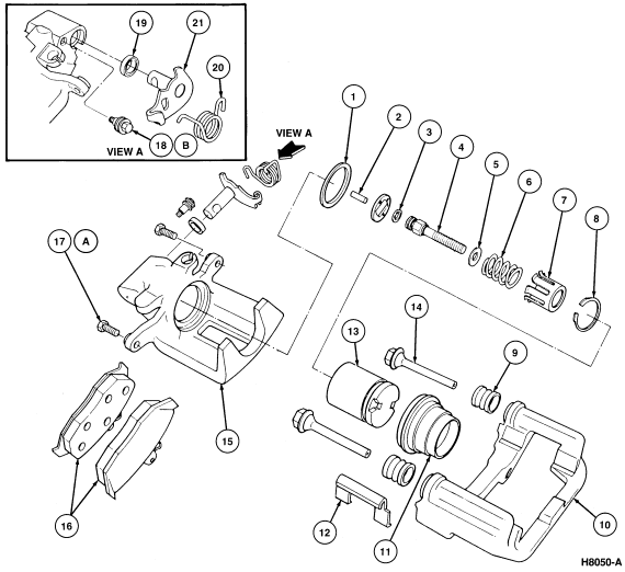
Except for the parking brake mechanism, the rear caliper assembly is basically similar to the pin slider front brake caliper. The added parking brake lever on the back of the caliper is cable-operated by the parking brake pedal located below the instrument panel, similar to rear drum brake installations. The parking brake is self-adjusting.
The caliper assembly consists of a pin slider caliper housing with single piston and parking brake mechanism, inner shoe and lining assembly, outer shoe and lining assembly, two anti-rattle clips and anchor plate. Rubber insulators isolate the pins from direct contact with the caliper.
The piston has a moulded rubber dust boot on its outer end that attaches to a cylinder bore which provides sealing between the housing and the piston. A rubber O-ring seal is positioned in a groove in the push rod to provide sealing between the push rod and housing, preventing entry of brake fluid into the parking brake mechanism cavity. A moulded lip seal is pressed into the housing to prohibit entry of water and contaminants between the parking brake lever shaft and housing. The components in the parking brake mechanism cavity in the back of the caliper housing are lubricated with Silicone Dielectric Compound D7AZ-19A331-A (ESE-M1C171-A) or equivalent.
The parking brake cable is secured to the operating lever by a barrel crimp on the end of the cable. When the parking brake is applied, the cable rotates the lever shaft. The shaft forces the push rod piston and shoe/lining assembly toward the rotor, to activate the brake when the vehicle is parked.
An automatic adjuster in the piston moves on the push rod to compensate
for lining wear, thereby maintaining a proper clearance in the parking brake
mechanism.
Disc Caliper Housing Assembly

| Item | Part Number | Description |
|---|---|---|
| 1 | 2N182 | Piston Seal |
| 2 | 2L627 | Pin |
| 3 | 2L594 | O-Ring Seal |
| 4 | 2N139 | Push Rod |
| 5 | 1N020 | Flat Washer |
| 6 | 2L396 | Spring |
| 7 | 2A787 | Spring Cage |
| 8 | 2A746 | Snap Ring (Circlip) |
| 9 | 2A492 | Slider Pin Boot Seal (2 Req'd) |
| 10 | 2B293 | Anchor Plate |
| 11 | 2206 | Piston Dust Boot |
| 12 | 2B164 | Anti-Rattle Spring (2 Req'd) |
| 13 | 2B588 | Piston |
| 14 | 2B296 | Slider Pin (2 Req'd) |
| 15 | 2N122 RH 2N123 LH |
Caliper Housing |
| 16 | 2218 | Brake Shoes |
| 17A | 2N386 | Slider Pin Pinch Bolt (2 Req'd) |
| 18B | 2A795 | Parking Brake Spring Retainer |
| 19 | 2D595 | Parking Brake Lever Shaft Seal |
| 20 | 2L642 | Parking Brake Lever Return Spring |
| 21 | 2A637 RH 2A638 LH |
Parking Brake Lever |
| A | Tighten to 40-47 Nm (30-35 Lb-Ft) | |
| B | Tighten to 6-9 Nm (4.5-7 Lb-Ft) |
Shoe and Lining Assembly
The shoe and lining assemblies are held in place by the caliper housing. The brake shoes are common for all positions.
NOTE: Brake friction materials inherently generate noise and heat in order to dissipate energy. As a result, occasional squeal is possible, and it is aggravated by severe environmental conditions such as cold, hot, wet, snow, salt, mud, etc.
Anti-Rattle Clip
The anti-rattle clip/spring is positioned between the anchor plate rail and the inner and outer shoe to prevent shoe rattle. It is common for LH and RH.