Section 04-02: Suspension, Rear | 1993 Mustang Workshop Manual |
Handling Suspension
Removal
Installation

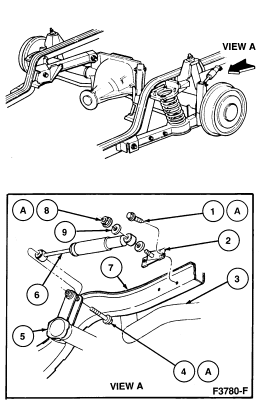
| Item | Part Number | Description |
|---|---|---|
| 1A | N605933-S7 | Bolt (4 Req'd) |
| 2 | 4A491 4A490 |
Bracket LH Bracket RH |
| 3 | — | Exhaust |
| 4A | N803486-S56 | Bolt (2 Req'd) |
| 5 | — | Axle |
| 6 | 4A489 | Axle Damper (2 Req'd) |
| 7 | — | Sidemember |
| 8A | N800937-S151 | Nut (2 Req'd) |
| 9 | N801616-S | Washer (4 Req'd) |
| A | Tighten to 76-103 Nm (57-75 Lb-Ft) |