Section 04-01: Suspension and Wheel Ends, Front | 1993 Mustang Workshop Manual |
CAUTION: All front suspension fasteners are important attaching parts in that
they could affect the performance of vital parts and systems, and/or could
result in major service expense. Any part must be replaced with one of the same
part number or with an exact equivalent part if replacement becomes necessary.
Do not use a replacement part of lesser quality or substitute design. Torque
values must be used as specified during assembly to ensure proper retention of
this part.
Never attempt to heat, quench or straighten any front suspension part. Replace with a new part.
Removal
Installation

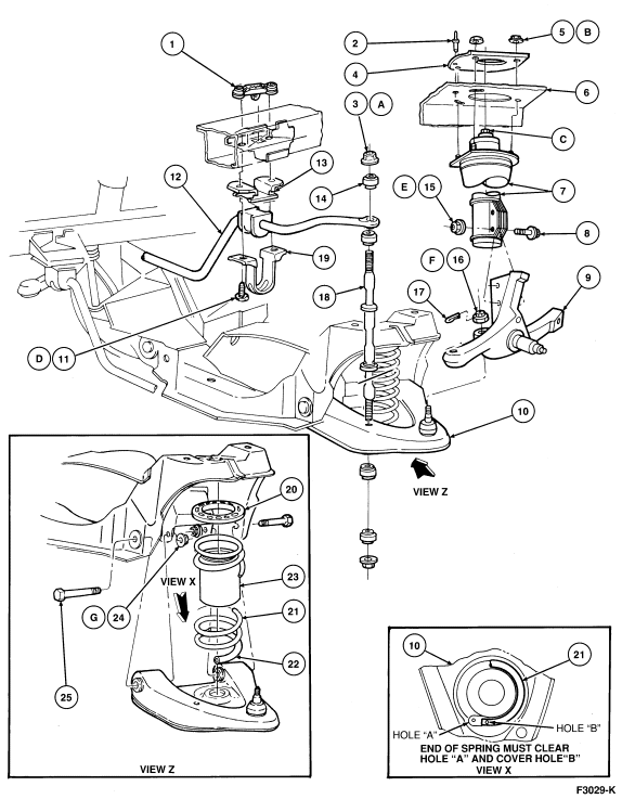
| Item | Part Number | Description |
|---|---|---|
| 1 | N804112-S | Nut (2 Req'd) |
| 2 | 380335-S | Rivet (2 Req'd) |
| 3A | N804491-S56 | Nut (4 Req'd) |
| 4 | 3B391 | Plate (2 Req'd) |
| 5B | N620483-S7 | Nut (6 Req'd) |
| 6 | — | Fender Apron |
| 7 | 18A084 | Strut Assy |
| 8 | N800234-S100 | Bolt |
| 9 | 3108 LH 3107 RH |
Spindle |
| 10 | 3051 LH 3042 RH |
Control Arm Assy |
| 11D | N804117-S160 | Bolt (4 Req'd) |
| 12 | 5482 | — |
| 13 | 5B482 | Stabilizer Bar Mounting Bracket Adapter (2 Req'd) |
| 14 | 5493 | Bushing |
| 15E | N800236-S100 | Nut |
| 16F | 381612-S100 | — |
| 17 | N642588-S | Cotter Pin |
| 18 | 5664 | Stud Insulator and Washer Assy |
| 19 | 5486 | Bracket Lower (2 Req'd) |
| 20 | 5415 | Insulator (2 Req'd) |
| 21 | 5310 | Spring (2 Req'd) |
| 22 | 5414 | Insulator (2 Req'd) |
| 23 | N800241-S | Dust Shield (2 Req'd) |
| 24G | N800237-S101 | Nut (4 Req'd) |
| 25 | N804591-S100 | Bolt (4 Req'd) |
| A | Tighten to 11-20 Nm (9-14 Lb-Ft) | |
| B | Tighten to 60-81 Nm (45-59 Lb-Ft) | |
| C | Tighten to 75-125 Nm (56-92 Lb-Ft) | |
| D | Tighten to 50-68 Nm (37-50 Lb-Ft) | |
| E |
Tighten to 190-271 Nm (141-199 Lb-Ft) |
|
| F |
Tighten to 108-163 Nm (80-120 Lb-Ft) |
|
| G |
Tighten to 149-203 Nm (110-149 Lb-Ft) |