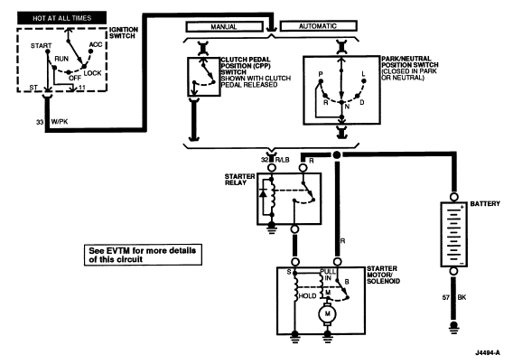
Section 03-06: Starting System | 1993 Mustang Workshop Manual |

An overrunning clutch in the drive assembly protects the starter from excessive speeds during the brief period before the driver releases the ignition switch from the START position (as the engine starts).